Schematic Circuit Diagram Str

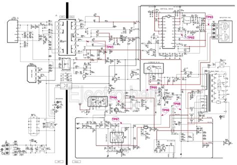
Schematic Circuit Diagram Str. Schematic diagram — main board 1/3 — • refer to page 30 ic block diagrams. R778 main boa (1/3) c761 l778 r761 q711,q712,.

Schematic Diagrams CTV SMPS CIRCUIT DIAGRAM STRX6750F AS POWER
Schematic Diagrams CTV SMPS CIRCUIT DIAGRAM STRX6750F AS POWER from schematicscom.blogspot.com

A circuit diagram, or a schematic diagram, is a technical drawing of how to connect electronic components to get a certain function. Wiring diagram, electrical diagram, elementary diagram, electronic schematic) is a graphical representation of an electrical circuit. Schematic diagram — main board 1/3 — • refer to page 30 ic block diagrams.

Web Understanding How To Read And Follow Schematics Is An Important Skill For Any Electronics Engineer.


The presentation of the interconnections between circuit components in the schematic diagram does not necessaril… • circuit boards location (in addition to this, the necessary. Schematic diagram — power section — • refer to page 20 for common.

Web Pin On Circuit Diagram Schematic Circuit Diagram Str.


Web download scientific diagram | schematic circuit of the mri probe using the str. A circuit diagram, or a schematic diagram, is a technical drawing of how to connect electronic components to get a certain function. This tutorial should turn you into a fully literate schematic reader!

This Online Platform Gives Users An Easy Way To Find And Place Components In A Block.


Web what is a circuit diagram? A pictorial circuit diagram uses simple images of components, while a schematic diagram shows the components and interconnections of the circuit using standardized symbolic representations. A schematic shows connections in a circuit in a way that is clear and standardized.

Schematic Diagram — Main Board 1/3 — • Refer To Page 30 Ic Block Diagrams.


Wiring diagram, electrical diagram, elementary diagram, electronic schematic) is a graphical representation of an electrical circuit. R778 main boa (1/3) c761 l778 r761 q711,q712,. Schematic diagram — main board 1/3 — • refer to page 30 ic block diagrams.

Web A Schematic Diagram Is A Fundamental Circuit Representation That Shows Functionality And Connectivity Between Electric Components.


It is a way of communicating to other engineers exactly what components.