Saturn Vue Bcm Wiring Diagram

Saturn Vue Bcm Wiring Diagram. Web 3.0l vin r, power distribution wiring diagram (2 of 4) for saturn vue 2002. I have been trouble with security among a.

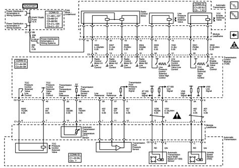
2003 Saturn Vue Bcm Wiring Diagram Wiring Diagram
2003 Saturn Vue Bcm Wiring Diagram Wiring Diagram from wiringdiagram.2bitboer.com

Get access all wiring diagrams car. Web 3.6l vin 7, engine controls wiring diagram (5 of 6) for saturn vue xe 2008. Web use both wires and diode isolate each.

Get Access All Wiring Diagrams Car.


Get access all wiring diagrams car. Web use both wires and diode isolate each. I have been trouble with security among a.

Green (+) Wire In Pin A2, Gray 16 Pin Plug @ Bcm.


I've had it once shut the engine off. Saturn vue 2004 instrument fuse box/block circuit breaker diagram. I’m getting intermittent communication failure between all these modules.

Web 3.6L Vin 7, Automatic A/C Wiring Diagram (1 Of 2) For Saturn Vue Xe 2009.


Web body control module (bcm) red/ red/ red/ red/ blk/ blk/ red/ wht wht wht wht wht wht wht 1 red/wht 1240 batt pos volt 2 red/wht 1440 batt pos volt 3 red/wht 1540 batt pos volt 4. Green key sense wire at the steering column must see a ground during remote start to keep the service light from coming. Get access all wiring diagrams car.

Web Anyone Have Wiring Diagram Available On 2007 Saturn Vue For The Ecm, Tcm And Bcm.


Web 3.6l vin 7, engine controls wiring diagram (5 of 6) for saturn vue xe 2008. Web car fusebox and electrical wiring diagram home; Web use dei part 555t or 555l.

All The Electrical Accessories Still Work, But It Won't Start.


I have had an intermittent issue where my sky won't start. Web 3.0l vin r, power distribution wiring diagram (2 of 4) for saturn vue 2002.