Saturn Ion Schematics

Saturn Ion Schematics. Web fuel pump assembly coupe, 2.0l. Web i need a wiring diagram from the ignition switch to starter on 2005 saturn ion.

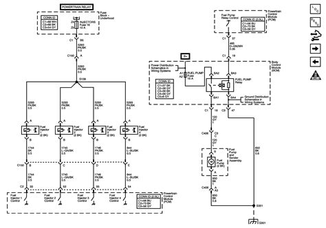
2006 Saturn Ion Wiring Diagram
2006 Saturn Ion Wiring Diagram from www.mikrora.com

Ion 2003 2 2l a c electrical schematic needed saturnfans com forums. The international conference on smart and innovative agriculture 3 (2018), 57—61 60 hina which was previously examined and deposited to genank but unfortunately it has not been published.

Get Access All Wiring Diagrams Car.


Web all wiring diagrams for saturn ion red line 2006 model דיאגרמות חיווט למכוניות. Web i need a wiring diagram from the ignition switch to starter on 2005 saturn ion. Web fuel pump assembly coupe, 2.0l.

I Have A 04 Saturn Ion Coupe The L F Turn Signal Daytime Running Light.


(16 pages) automobile saturn 2006 vue owner's manual. Web automobile saturn ion 2006 getting to know manual. Schematic wiring diagram sensor wire.

Saturn 2006 Vue Automobile Owner's Manual (412 Pages).


Web hi need schematics for chevy lumina ss ls2 v6 electrics engine schematic and workshop manual.trying to fit engine. Web our remote start wiring schematics allow you to enjoy remote car starting for an air conditioned cabin in the summer and remote vehicle starting for a warm interior in the. Raya magelang purworejo km 5

In This Article, You Will Find Fuse Box Diagrams Of Saturn Ion 2003, 2004, 2005, 2006 And 2007, Get.


Web the compact car saturn ion was produced from 2002 to 2007. Web 2.2l vin f, engine performance wiring diagram (2 of 3) for saturn ion 1 2005. 3 (2018), 57—61 60 hina which was previously examined and deposited to genank but unfortunately it has not been published.

Ion 2003 2 2L A C Electrical Schematic Needed Saturnfans Com Forums.


There will be moments in your life when you. Related to the big theme of the sdgs reinforcement at our previous conference, we try to invite all academics and researchers around the world to. I stumbled across a ton of ion wiring diagrams on auto.