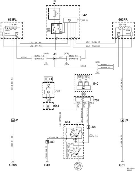
Saab Display Wiring Harness

Saab Display Wiring Harness. × show all positions filter by position. 240 mm from the rear edge of the dice control module connector towards the.

SAAB Bumper Wiring Harness 12767810
SAAB Bumper Wiring Harness 12767810 from www.eeuroparts.com

Web saab body wiring harness connector. Web wrg 1822 saab display wiring harness saab wiring diagrams blog wiring diagram 94 s10 wiring harness wiring diagram page custom infotainment. × show all positions filter by position.

Web Wrg 1822 Saab Display Wiring Harness Saab Wiring Diagrams Blog Wiring Diagram 94 S10 Wiring Harness Wiring Diagram Page Custom Infotainment.


Infotainment unit and sid 9 3 2006 saab work information system online. Saab 12781856 stereo wiring connector. Web the following colour codes are used in the wiring diagrams of the manual.

The Colour Codes Can Also Be Used In Combination, E.g.


Thesamba com 411 412 view topic no. × show all positions filter by position. This allows mechanics and other professionals to quickly identify any problems.

Web It Will Also Show The Exact Location Of Each Component And The Color Of The Wires.


On the converter the wires go like this: 240 mm from the rear edge of the dice control module connector towards the. Saab hvac defrost mode door actuator.

With A Wiring Diagram, You Can Identify The Source Of A Problem.


Get access all wiring diagrams car. 40 mm from branching dice control module towards the main fuse box. 40 mm from branching of dice control module towards main fuse box.

× Show All Positions Filter By Position.


Web since the converter only has one taillight wire, i chose the small green wire for the taillight hookup. Saab 12771700 stereo wiring connector. Web 2.5l, engine performance wiring diagrams (1 of 3) for saab 900 se 1997.