Rv Electric Steps Wiring

Rv Electric Steps Wiring. So you know which ones you have on your rv. Motor and control unit automatically.

Universal RV Step Cover Express Module Motor Install
Universal RV Step Cover Express Module Motor Install from www.autotrix.net

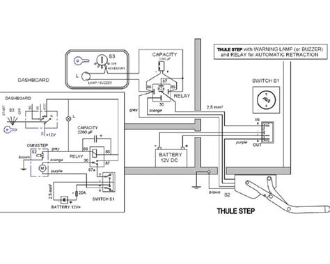
Web the wiring carries the power from the battery to the switches, motor and motor controller of the rv steps. Web the replacement steps, motor, and switch for kwikee rv electric steps # lc3722617 are a very common design found on rvs like yours. Web to help you complete your first rv wiring job safely and effectively, rv expert dave solberg and rvca master technician steve albright walk you step by step through an.

To Test The Ignition Override Feature, Extend The Step As In Step 8.


Web our kwikee electric steps are available in single, double or triple step configurations. Web every kwikee step is designed to handle over 300 lbs. So you know which ones you have on your rv.

Looking For The Best Rv Electric Steps Wiring Diagram And Their Great Alternatives?


The wiring should be securely tied to the steps and frame to prevent. Web if your rv electric steps aren't working, don't worry! If what you have looks like this and the.

Web The Replacement Steps, Motor, And Switch For Kwikee Rv Electric Steps # Lc3722617 Are A Very Common Design Found On Rvs Like Yours.


20.13” (26” solid step®) or 24.13” (30” solid step®) mounting fasteners provided for either wood or laminate floor applications. Includes floor backing plate and. Rv and trailer ac solutions;

Web Before We Delve Into Electric Rv Steps Troubleshooting, It’s Important To Know The Types Of Rv Electric Steps.


There are a few things you can do to troubleshoot the problem and get them up and running again. Web the wiring carries the power from the battery to the switches, motor and motor controller of the rv steps. Replaces the electric step, motor, and switch kit for your kwikee 26 series rv.

Web @Samowens You Will See And Hear An Explanation Of The Kwikee Rv Electric Step Operation.


With the step extended, connect. Replaces the electric steps, motor, and control unit for your kwikee 27 series rv steps. We are happy to present the 14 best products from famous.